Craftsman 358356090 Parts List and Diagram

Craftsman 358 Chainsaw Parts Diagram. Poulan CRAFTSMAN 358.351082 Gas Chain Saw Parts Diagram for Repair Need to fix your Craftsman Chainsaw 358.351181? Use our 358.351181 Parts, diagrams, manuals, and videos to make your repair easy. The Model 358.350981 Craftsman Chainsaw is a popular choice among homeowners and professionals alike for its reliability and performance

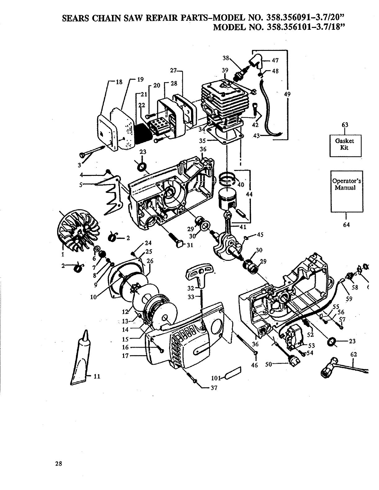
36 craftsman chainsaw model 358 fuel line diagram Diagram Resource
36 craftsman chainsaw model 358 fuel line diagram Diagram Resource from vohobu-marria.blogspot.com

View and Download Craftsman 358.360170 parts list online Need to fix your Craftsman Chainsaw 358.351181? Use our 358.351181 Parts, diagrams, manuals, and videos to make your repair easy.

36 craftsman chainsaw model 358 fuel line diagram Diagram Resource

Craftsman 358350380 gas chainsaw parts - manufacturer-approved parts for a proper fit every time! We also have installation guides, diagrams and manuals to help you along the way! Having a parts diagram can save you valuable time and effort by allowing you to quickly pinpoint the exact part you require for repairs or. Shop OEM replacement parts by symptoms or model diagrams for your Craftsman 358350380 Gas Chainsaw!

Craftsman 358.351162 Chainsaw Parts List, 1996. Complete exploded views of all the major manufacturers Craftsman 358350380 gas chainsaw parts - manufacturer-approved parts for a proper fit every time! We also have installation guides, diagrams and manuals to help you along the way!

Visual Guide Diagram of Craftsman 358 Chainsaw Parts. Poulan CRAFTSMAN 358.351182 Gas Chain Saw Repair Parts Handle and Controls Exploded View parts lookup by model Parts lookup and repair parts diagrams for outdoor equipment like Toro mowers, Cub Cadet tractors, Husqvarna chainsaws, Echo trimmers, Briggs engines, etc.